Περιγραφή
The electrofusion fitting programme is unique for two reasons. Firstly, due to the complete range from d20 to d250 mm. Secondly, because of the unlimited possibilities offered when combining such fittings in the sizes d20 to d63 mm with modular transition adapters.
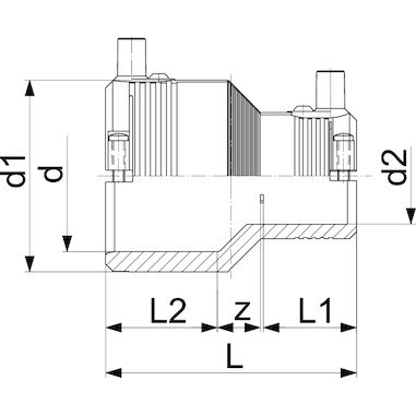
| d | d2 | DN | PN | SDR |
| (mm) | (mm) | (mm) | (bar) | |
| 25 | 20 | 20 | 16 | 11 |
| 32 | 20 | 25 | 16 | 11 |
| 32 | 25 | 25 | 16 | 11 |
| 40 | 20 | 32 | 16 | 11 |
| 40 | 25 | 32 | 16 | 11 |
| 40 | 32 | 32 | 16 | 11 |
| 50 | 32 | 40 | 16 | 11 |
| 50 | 40 | 40 | 16 | 11 |
| 63 | 32 | 50 | 16 | 11 |
| 63 | 40 | 50 | 16 | 11 |
| 63 | 50 | 50 | 16 | 11 |

























